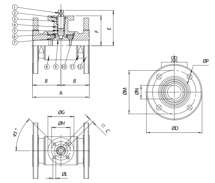
法蘭連接要求:EN 1092-1;法蘭間距要求:DIN 3202-F4;法蘭螺紋:UNI PN 16。
工作溫度:從-20 °C至+160 °C
工作壓力:請看附表。
適用介質:適用食品生產。
執(zhí)行器連接要求符合ISO 5211標準
配置手柄的此型閥門,無符合ISO 5211標準的連接頭,故無法與某些執(zhí)行器連接。
提供特殊安裝連接要求
法蘭標準ASME B16.5、公稱直徑classe 150,300。
密封材料:PTFE加玻璃;
PTFE加石墨;
聚乙烯高密度。
ATEX防爆型符合歐盟2014-34-EU 標準
Kv值是水溫15°C時造成介質壓力損失為1bar的介質流速(m3/h)
扭矩 Nm

后面幾頁表中所列的執(zhí)行器與閥門對接標準,適用于液體或氣體、清潔和中等溫度介質的閥門。為獲取更詳細的信息資料,請與我們的技術部門聯系。扭矩數值可隨溫度及介質的不同而有所變化。安全系數為1.4。工作扭矩在閥門頻繁開閉使用后,與開始使用時的數值相比,會有明顯的減弱。?